Tip de montare încorporat pneumatic
- Pozitorul zero intern de presiune internă este ventilat pe placa de arc, iar placa de prindere este în stare deschisă.
- Unghia poate fi plasată în mod convenabil în placa de prindere. Când lucrați, aerul este întrerupt pentru procesare. Prin urmare, nu este nevoie să vă faceți griji cu privire la instabilitatea presiunii aerului în muncă.
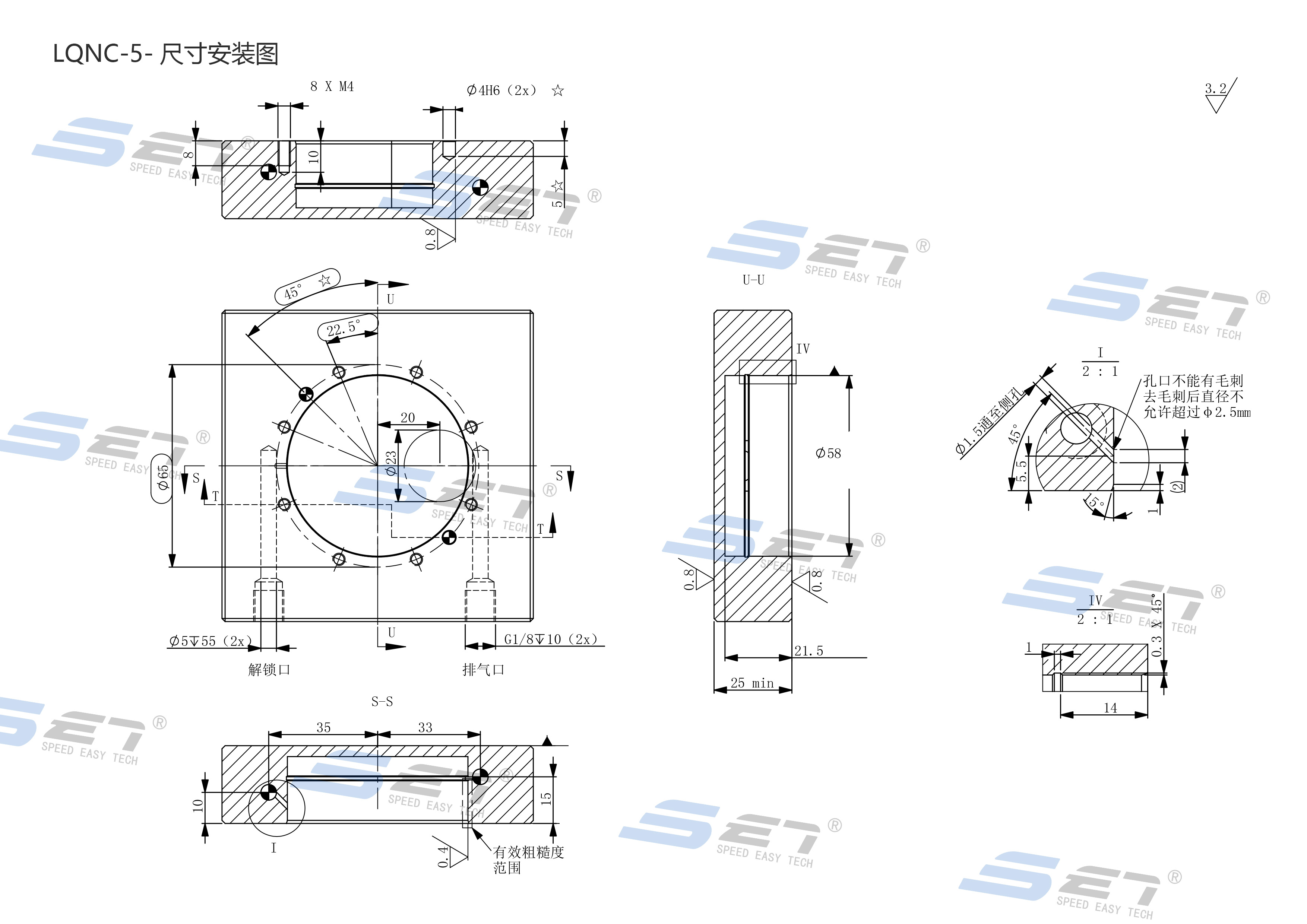
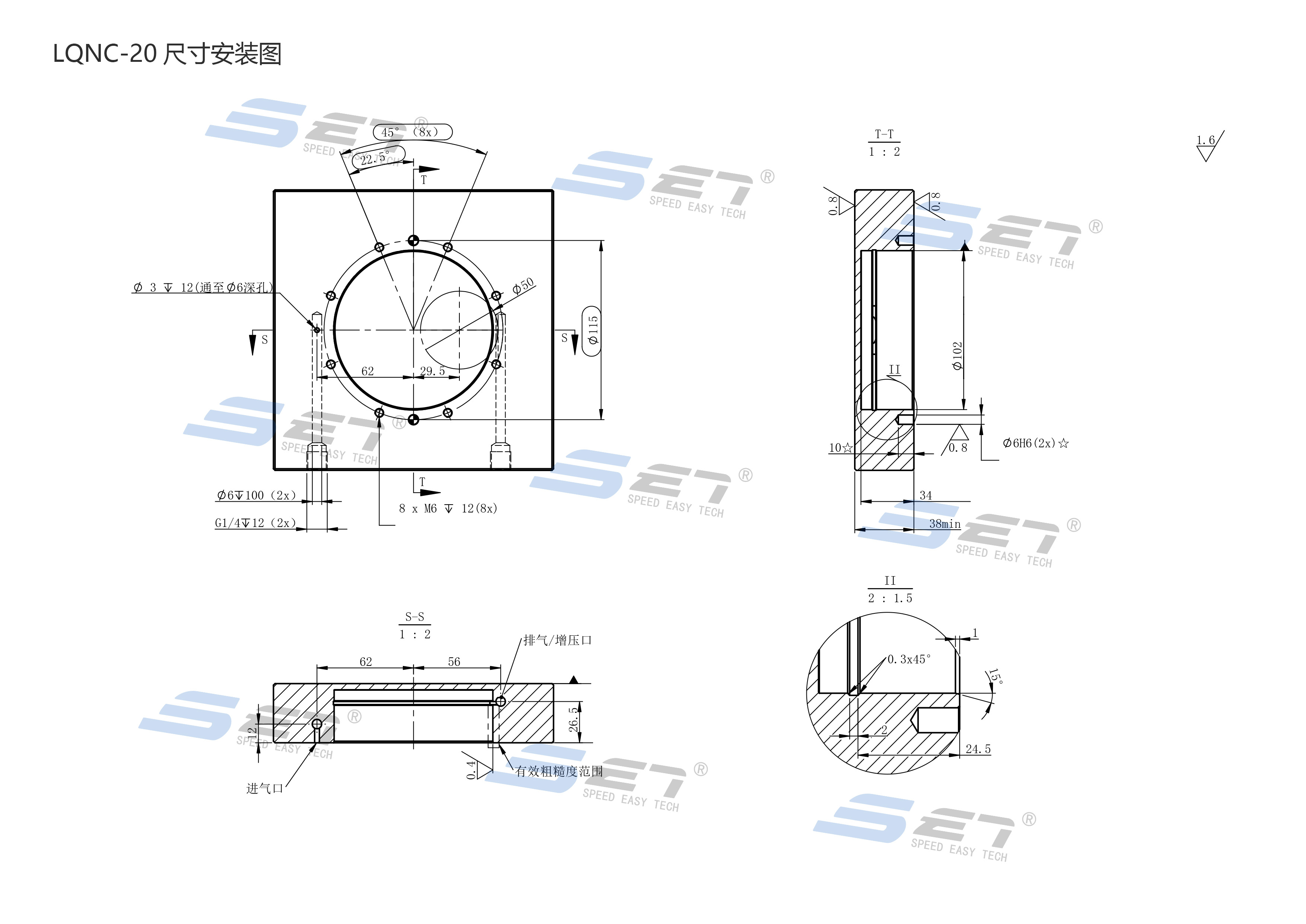
- Precizie de poziționare repetată <0,005mm, forță de prindere a poziției unică 17KN, forță de tensiune 55KN.
- Potrivit pentru prelucrarea industriilor care trebuie să reducă timpul de înlocuire.
- Potrivit pentru tăiere metalică sau non-metalică.
简体中文





.jpg)
